直接查看刀具


工件材料

设备

应用

特征

LEUCO 产品名称

重置


根据刀具类型进行选择


同心刀头HW

产品

图纸

  • 硬质合金[HW]
  • MAN

货物

描述

设备/应用

  • 台式成型机
  • 实木与木基板材的成型加工

设计

  • 刀刃与轴平行
  • 切削材料: HW HL Solid 20
  • 高强度铝制刀体
  • 切屑隔断设计

优点

注释

  • 应用: 逆铣

桌面与图片标题 ...

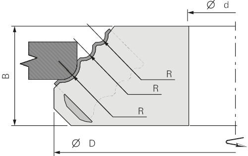
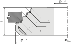
R
[mm]
Ø D
[mm]
B
[mm]
Ø d
[mm]
Z 类型 nmin-nmax
[min-1]
ID号 比较 / 查询

未列出您输入的尺寸?
请联系我们的 应用咨询部门 .

可从仓库直接发货
可在短期内发货
请洽询交货时间

4, 6, 8, 10 180 50 30 2 1 4600-7800 50661672 
|
2, 3, 5 140 32 30 2 2 5400-6400 50661673 
|